icon zalo icon hotline 1800 6645 icon email Tải bảng giá
Phoi canh tong the van la sudico

The Vista VĂN LA - KHU ĐÔ THỊ VĂN LA

Khởi đầu cho một tương lai thịnh vượng

Icon4

The Vista Văn La là tên gọi Khu đô thị Văn La do SJ Group (tên cũ là Sudico) phát triển tại mặt đường Quang Trung, phường Phú La, Hà Đông, Hà Nội. Đây là một trong những dự án trọng điểm phía Tây Hà Nội, đầy đủ các sản phẩm từ Chung cư, Biệt thự, Liền kề, Shophouse, là cơ hội hiếm có để sở hữu bất động sản tại tọa độ vàng của quận Hà Đông.

SẮP RA MẮT The Vista VĂN LA

  • Dự kiến: CK 2% cho 200 khách đầu tiên, miễn phí dịch vụ 2 năm
  • Ký HĐMB chỉ 15% vốn tự có, HTLS 0% cho 70% trong 24 tháng, ân hạn gốc 5 năm.
  • Vị trí "vàng" bám trục Metro số 2A tuyến Cát Linh - Hà Đông
  • Sản phẩm đẳng cấp & giới hạn với 215 căn thấp tầng và 832 căn hộ chung cư
  • Tiện ích "All-in-one" trong nhà và ngoài trời, khu shophouse kinh doanh sầm uất
  • Pháp lý minh bạch, sở hữu lâu dài

ĐĂNG KÝ NHẬN BÁO GIÁ

HOTLINE: 1800 6645

    Văn La Sudico là dự án tâm điểm của khu vực này sau gần 10 năm không có dự án mới, cơ hội sở hữu nhà ở trung tâm với mức giá hợp lý cho nhu cầu ở thực.

    TỔNG QUAN The Vista Văn La

    Icon4

    Dự án Khu đô thị The Vista Văn La được quy hoạch đồng bộ trên diện tích 12,29ha, tổng vốn đầu tư khoảng 50 triệu USD với đầy đủ các loại hình Chung cư, biệt thự, liền kề cùng hệ thống dịch vụ tiện ích đồng bộ, hiện đại. Mật độ xây dựng tại dự án ở mức lý tưởng chỉ khoảng 39-40%, phần lớn diện tích dành cho công viên cây xanh tập trung gần 1ha, vườn hoa dạo bộ và sân tập pickleball ngoài trời.

    • Tên dự án: The Vista Văn La
    • Vị trí: Mặt đường Quang Trung, Phú La, Hà Đông, Hà Nội
    • Chủ đầu tư: SJ Group - Sudico
    • Tổng diện tích: 12,29 m2
    • Mật độ xây dựng: 39-40%
    • Sản phẩm: 2 toà Chung cư  25 tầng, 2 tầng hầm, biệt thự, liền kề
    • Loại hình sản phẩm: 215 căn thấp tầng, 832 căn hộ chung cư
    • Diện tích chung cư: 2PN 61–71m² – phù hợp ở thực
      3PN 96–104m² – diện tích rộng rãi
      Nhà vườn trên cao Penhouse/Skyvillas: 140–160m² – chỉ chiếm 1% dự án
    • Diện tích thấp tầng: Liền kề: 65 – 140m2
      Biệt thự: 237 – 580m²
    • Dự kiến bàn giao căn hộ: Quý IV/2028
    • Hình thức Sở hữu: Lâu dài
    Phoi canh chung cu van la sudico

    Phối cảnh chung cư Văn La Sudico

    CƠ CẤU CĂN HỘ TẠI The Vista Văn La

    2PN

    576 căn

    61-71.7m2

    69.2%

    3PN

    122 căn

    95.9-96.5m2

    14.7%

    3PN+

    126 căn

    102.7-104m2

    15.1%

    NV 3PN

    2 căn

    140.5m2

    0.2%

    NV 4PN

    6 căn

    149.4-160m2

    0.7%

    SJ Group hay Sudico còn là chủ đầu tư của nhiều dự án như: dự án Nam An Khánh mở rộng; dự án Khu đô thị mới Nam An Khánh; dự án Khu nhà ở Văn La; dự án Khu du lịch sinh thái Sông Đà - Ngọc Vừng; dự án Khu đô thị Tiến Xuân; dự án Hoà Hải – Đà Nẵng.

    VỊ TRÍ The Vista Văn La

    Icon4

    Dự án The Vista Văn La Sudico nằm trên mặt đường Quang Trung, thuộc phường Phú La, Hà Đông, Hà Nội, trên trục Quang Trung – Lê Trọng Tấn huyết mạch của Hà Đông, chỉ vài bước chân là tới tuyến metro Cát Linh - Hà Đông (tuyến 2A) đón đầu xu hướng phát triển TOD của thành phố (phát triển gắn liền giao thông công cộng). 

    Xung quanh dự án Văn La Sudico là khu vực đông đúc dân cư, gần các khu đô thị đã phát triển như đối diện với đô thị Park City, tiếp giáp đô thị Văn Phú và khu đô thị Phú Lương,...đặc biệt khi khu vực này gần như không có dự án mới trong suốt nhiều năm qua.

    Xung quanh dự án The Vista Văn La Sudico là hệ thống hạ tầng giao thông phát triển hiện đại:


    • Hệ thống xe bus BRT di chuyển nhanh chóng vào trung tâm.
    • Gần các trường Đại học lớn: HV An Ninh, ĐH Kiến Trúc, ĐH Đại Nam…
    • Tiếp cận KĐT Văn Quán, Mỗ Lao, An Hưng và Dương Nội.
    • Mua sắm & Giải trí: Mê Linh Plaza Hà Đông (siêu thị GO!), chợ Hà Đông, và đại siêu thị Aeon Mall Hà Đông (khoảng 10 phút di chuyển).
    • Giáo dục: Gần các trường đại học lớn như ĐH Hà Nội, Học viện Bưu chính Viễn thông, ĐH Kiến trúc, và hệ thống trường liên cấp chuyên Nguyễn Huệ.
    • Y tế: Chỉ mất 5-10 phút để đến Bệnh viện Đa khoa Hà Đông, Bệnh viện 103, và Bệnh viện K Tân Triều.
    Vi tri du an van la sudico

    Vị trí dự án The Vista Văn La Sudico trên trục đường huyết mạch Quang Trung - Lê Trọng Tấn

    Vi tri du an van la sudico ha dong

    Vị trí tâm điểm của dự án The Vista Văn La Sudico

    Từ Văn La Sudico cư dân có thể kết nối thuận tiện sang khu vực phía Tây (Hoài Đức, Nam Từ Liêm) và các khu đô thị lớn như Vinhomes Smart City, ParkCity.

    Trong tương lai, cư dân Văn La Sudico còn hưởng nhiều lợi thế về hạ tầng giúp gia tăng giá trị bất động sản với các dự án trọng điểm của thành phố như:

    • Vành đai 3.5 & Vành đai 4: Khi các tuyến này hoàn thiện, từ Văn La có thể dễ dàng di chuyển đi các tỉnh phía Bắc và phía Nam (Hưng Yên, Bắc Ninh, Hà Nam) mà không cần xuyên qua nội đô.
    • Nâng cấp đường 70: Việc mở rộng đoạn Hà Đông - Văn Điển sẽ giúp rút ngắn thời gian di chuyển sang khu vực phía Nam thành phố và huyện Thanh Trì.

    CÁC SẢN PHẨM TẠI The Vista Văn La

    Icon4

    The Vista Văn La Sudico mang tới các sản phẩm bất động sản cho cả khách hàng ở và đầu tư.

    • Chung cư
    • Biệt thự
    • Liền kề Shophouse
    Phoi canh tong the van la sudico
    Phoi canh chung cu van la sudico

    Chung cư

    • Quy mô: 2 toà 25 tầng (CT2B & CT3B), 2 tầng hầm, 4 tầng thương mại
    • Số lượng: 832 căn hộ
    • 10 thang máy tốc độ cao 1 toà
    • 2PN 61–71m² – phù hợp ở thực
    • 3PN 96–104m² – diện tích rộng rãi
    • Nhà vườn trên cao (Penhouse/Skyvillas) 140–160m² – chỉ chiếm 1% dự án
    Phoi canh du an van la sudico

    Liền kề shophouse

    • Số lượng: 133 căn
    • Diện tích: 65m² – 258m²
    • Thiết kế: 4 tầng 1 tum
    • Phong cách thiết kế: hiện đại
    Phoi canh du an van la sudico

    Biệt thự

    • Số lượng: 82 căn
    • Diện tích: 237m² – 580m²
    • Thiết kế: 3 tầng 1 tum
    • Phong cách thiết kế: hiện đại

    THIẾT KẾ The Vista Văn La

    Icon4

    Dự án The Vista Văn La Sudico được thiết kế đồng bộ theo phong cách kiến trúc hiện đại, khu vực chung cư được trang bị hệ thống cửa kính lớn, giúp khai thác tối đa tầm view, ánh sáng và gió tự nhiên.

    • Khu vực chung cư được thiết kế với Phòng khách và bếp thường được thiết kế thông sàn, tạo cảm giác rộng rãi, phù hợp với xu hướng thiết kế nội thất hiện đại.
    • Biệt thự đơn lập & Song lập: Thiết kế với khoảng lùi sân vườn rộng, tạo không gian riêng tư. Kiến trúc mái Thái hoặc mái Mansard đặc trưng, mang lại vẻ ngoài bề thế và trường tồn với thời gian.
    • Nhà liền kề & Shophouse: Mặt tiền rộng (thường từ 5m trở lên), tối ưu cho việc vừa ở vừa kinh doanh. Các dãy nhà được sắp xếp theo hình bàn cờ, giúp lưu thông không khí và ánh sáng tự nhiên cực tốt.

    Khu vực trung tâm của dự án Văn La Sudico được thiết kế công viên trung tâm với hồ nước và đường dạo bộ, tạo thành một hệ sinh thái khép kín, tách biệt khỏi sự ồn ào của trục đường Quang Trung sầm uất ngay kế bên.

    Mat bang tang 5 24 toa v1 chung cu vista van la

    Mặt bằng tầng 5-24 toà V1 - The Vista Văn La

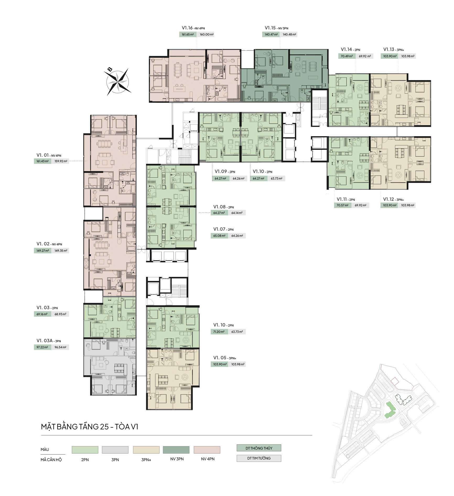
    Mat bang tang 25 toa v1 chung cu vista van la

    Mặt bằng tầng 25 toà V1 - The Vista Văn La

    TIỆN ÍCH The Vista Văn La

    Icon4

    The Vista Văn La mang tới cho cư dân chuỗi dịch vụ tiện ích "All in one" đồng bộ, hiện đại, phục vụ nhu cầu sống, làm việc, vui chơi giải trí của mọi thành viên thuộc mọi lứa tuổi trong gia đình. Các tiện ích tại Văn La Sudico không đi theo hướng phô trương, ồn ào mà tập trung vào sự biệt lập, an yên và thực chất. Đây là dòng sản phẩm hướng tới những chủ nhân trân trọng giá trị sống gia đình và sự riêng tư ngay giữa lòng Hà Đông sầm uất.

    • Bể bơi bốn mùa 800m2
    • Đường dạo bộ nội khu xanh mát.
    • Khu vui chơi trẻ em sinh thái, phòng tập Gym/Yoga hiện đại.
    • Trường mầm non quốc tế ngay nội khu.
    • Chỉ 5 phút di chuyển tới Aeon Mall Hà Đông và Công viên Thiên văn học.
    Phoi canh du an van la sudico

    Công viên trung tâm & Hồ cảnh quan: Đóng vai trò là "lá phổi xanh", điều hòa không khí cho toàn khu đô thị. Đây là không gian lý tưởng cho các hoạt động chạy bộ buổi sáng hoặc dạo bộ thư giãn sau giờ làm việc.

    Tien ich be boi sunshine river park

    Khu vui chơi trẻ em & Sân thể thao: Các khu vực vận động ngoài trời được bố trí xen kẽ giữa các dãy biệt thự, giúp cư dân nhí có không gian phát triển thể chất an toàn.

    Scroll to Top